Przedłużki do wodomierzy

Elementy montażowe do dopasowania długości przyłącza

  • Różne długości ze stopniowaniem co 10 mm

  • Umożliwiają elastyczne dopasowanie do instalacji

Zapytaj o produkt

Na każdą wiadomość staramy się odpowiadać maksymalnie w 24 godziny (dni robocze).

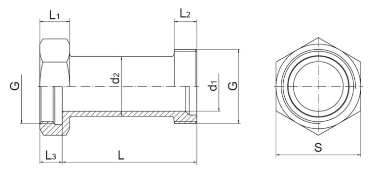
Średnica wodomierzaGLL1L2L3d1d2
DN 15¾"10; 20; 30;
40; 60; 70
1412121822
DN 201"20; 30; 40;
60
1712142224
DN 251¼"20;902015173526
DN 321½"60; 902015174438
Obraz
Przedłużki do wodomierzy

Szukasz alternatyw?
Poznaj inne produkty z naszej oferty

Zawory zwrotne

Wykorzystywane w łącznikach lub wodomierzach czy ciepłomierzach

Zawory zwrotne
  • Gwarantują jednostronny przepływ cieczy

  • Kompatybilne wyłącznie z armaturą Apator Powogaz

Zobacz

Zawory kulowe

Armatura instalacyjna przeznaczona do wodomierzy

Zawory kulowe
  • Dostępne w różnych rozmiarach

  • Proste otwieranie i zamykanie przepływu wody

  • Odporność na ciśnienie w instalacjach zimnej i ciepłej wody

Zobacz

Zawory kulowe do immersyjnych czujników temperatury

Armatura instalacyjna przeznaczona do montażu immersyjnych czujników temperatury

Zawory kulowe do immersyjnych czujników temperatury
  • Dedykowane do montażu czujników temperatury

  • Dostępne w rozmiarach DN15/M10x1 i DN20/M10x1

  • Precyzyjna regulacja przepływu

Zobacz

Półśrubunki do wodomierzy

Specjalne wykonania

Półśrubunki do wodomierzy
  • Wersje z zaworem zwrotnym

  • Wersje krótkie lub wydłużone

  • Wersje z gwintem stożkowym (Briggsa)

Zobacz

Plomby motylkowe z linką

Plomba motylkowa z linką przeznaczona jest do zabezpieczenia łączników rurowych przy urządzeniach pomiarowych

Plomby motylkowe z linką
  • Chronią przed demontażem przez osoby niepowołane

  • Łatwe w użyciu i montażu

  • Dostępne w długościach 40 cm i 60 cm

Zobacz

Obejmy z plombami zatrzaskowymi

Jednoelementowa plomba samozatrzaskowa

Obejmy z plombami zatrzaskowymi
  • Opatentowana konstrukcja plomby.

  • Trwałe znakowanie laserowe.

  • Wysoki standard bezpieczeństwa

Zobacz
cta - zdjęcie po lewej
cta - zdjęcie po prawej

Postaw na najwyższą precyzję pomiaru zużycia wody i ciepła

Skontaktuj się z doradcą, który pomoże Ci dobrać odpowiednie akcesoria do Twojej instalacji